Industria News

Ningbo Hanson Communicatio Technology Co., Ltd. Home / News / Industria News / Quae sunt frequentissima errata facere cum insertis SMA connexiones?

Quae sunt frequentissima errata facere cum insertis SMA connexiones?

Ningbo Hanson Communicatio Technology Co., Ltd. 2025.11.19
Ningbo Hanson Communicatio Technology Co., Ltd. Industria News

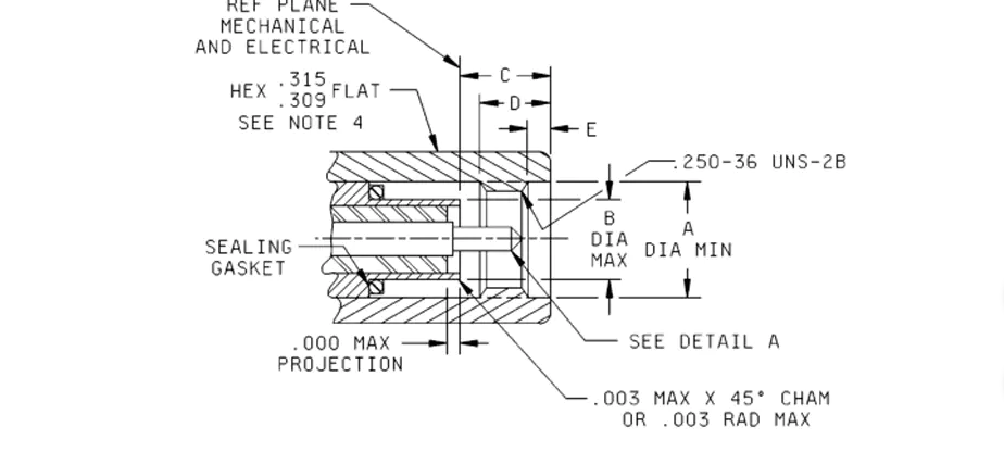
SMA nexus unum e frequentissimis et late coaxialibus connexionibus adhibitis in RF applicationibus, late in instrumentis communicationis, systematis Proin, antennae, instrumentorum testium, GPS, radar, et alia systemata frequentia alta. Quamvis structura SMA connectoris simplex videatur, etiam parva error in institutione vel connexione ducere potest ad insignem attenuationem, auctam VSWR, pauperem contactum, atque etiam apparatum malfunction. Propria ergo institutionis SMA connectentium crucialis est.

1. recta tensis Torque
Multi utentes in errorem communem cadunt cum connectores SMA inserti: vel casualiter obstringunt vel vi violenta obstringunt donec "arctissima". Utraque causa quaestionibus appropinquat.

Si satis arta non est, pauper contactus et inconstans nexus occurret, faciens signum susceptibile impedimentum. Praesertim in ambitu vibrationis, caput SMA paulatim solvet, ducens ad reflexiones auctas et intermissionem etiam insignem. Si deprehendit, nucleum interiorem laedet, fila deformat et structuram dielectricam laedet, inde in degradationem irreversibilem perficiendi.

Recta ratio est, clavis torque uti ad obstringere vexillum torque circiter 0.8 N·m. Hoc efficit ut securum contactum impediat damnum structurae, id efficiens instrumentum essentiale ad institutionem RF professionalem.

2. Misalignment in centro conductor
SMA connexiones praecisiones sunt RF connexiones cum conductoribus centri perquam parvis (pinos vel bases). Misalignmentum in coitu et immissione coactus facile potest causare clavum flexionis et nervum deformationis. Hoc genus damni saepe irreparabile est nec nudo oculo conspici potest, sed protinus inducit;
auctus VSWR
Auxit signum damnum
Contactus instabilis
Difficultas in insertione et remotione
Signum timeo signanter illi
Praesertim in experimentis instrumentis vel systematis frequentiae altus, hoc damnum totum peractivum nexus deponit et difficile est ad troubleshoot.

Recta ratio est diligenter figere conductorem, leniter inserere, ac deinde torquem clavis munire. Vim brute numquam ut.

3. Manu-tensis et oxydi metalli obstantia introducit in interface
Multae fabrum plerumque connexiones SMA manu obstringere solent, praesertim frequenti experimento. Hoc non solum consequitur in torques insufficientes, sed etiam contaminantes facile introducit ut pulvis, strages metallica, oleum cutis. Hae minimae particulae contactum resistentiae augere possunt et laminam auri laedere, ducentes ad diminutionem significationis auctam.

In altum frequentiam connectors, etiam minimae immunditias facere possunt ambigua. Ergo de ratione eius est;
Noli manu obstringere (in positione initiali tantum leviter obstringere);
Mundus nexus superficies cum linteolo libero vel alcohole swab ante institutionem;
Prolixarum superficies vitare nudis manibus;
Bonus habitus purgatio potest signanter extendere vitam iungentis.

4. Mixtio SMA Masculum et Feminam Connector Genera
SMA connector interfaces valde similes sunt apparentibus aliis RF interfaces, ut RP-SMA, SMB, SMC, N-typo. Multi homines ex apparentia iudicant, unde ex necessitate coacta nexus instrumentorum repugnantium, quae causare possunt;
Laedi relatorum
Fracti centrum paxillos
Deforme interioribus foraminibus
"Perficere"

SMA et RP-SMA (reversa verticitatis SMA) praecipue facile confunduntur. Similia spectant, sed varias structuras internas habent. Cogere nexum non solum vetat transmissio signum, sed etiam machinam interfaciei laedunt.

Ante connectens semper confirmamus;
Estne vexillum SMA iungo?
Estne iungo genus rectam?
Estne compatitur cum fabrica portum?
Num frequentia requisita (est differentia inter vexillum et subtilitatem SMA connexiones)?

Vitare damnosum apparatu pretiosa ob impropriam Operationen.

5. Nimia inflexio funis iunctio causarum impediunt discontinuitates
Multae difficultates cum SMA connexiones inaugurari possunt non actu in ipso iungente sunt, sed potius ob funem improprium per institutionem inflexionis. Funes coaxiales valde sensibiles sunt ad radios flexiones. Si nimis acriter inflexus, id erit in;
Impedimentum discontinuitatum
Auxit signum reflexionis
Augeri fune damnum
Test eventus momentaneus.

Hae difficultates praecipue notabiles sunt in applicationibus summus frequentia (supra 6GHz).

Commendatur lineamenta:
Inflexio radiorum ≥ 5 temporibus funem diameter
Fugientes circa nexum punctum
Tensionem vel torsionem fune vitare.
Hoc transmissio stabilis servabit effectum.

6. Coitus crebra et inmatíentes causas gerunt .
Vita theorica iungentis SMA est fere circa quingentos coitu et cyclos incontinens, sed plures ambitus probati possunt justos coeundi et inmatrimoniales per diem involvere. Longa repetitio usus causare potest: aurea vestis; augebat impedimentum contactum; lamina deformatio; et laxatio centri conductoris, insigne stabilitatis afficiens et etiam errores augens.

Solutiones includunt: utens adaptatori tutelae in ambitibus maximis frequentia probatis; regulariter reposuit test retinacula; et vigilantia mutationes in iungo contactus impeditionis. Hoc signanter potest dilatare spatium instrumentorum in instrumentis pretiosis.

Dum SMA connexiones instituens simplex est, singula signa directe impacta qualitati sunt. Sequentes normae rationes et rectis instrumentis utentes nexus firmos, effectus et longioris instrumenti spatium efficit.

Vultus For Business Opportunity?

Petentibus vocatio hodie